-
Dermatose: dans le Sud-Ouest, "mobilisation générale" pour "accélérer" la vaccination
-
Le Parlement européen valide deux textes clefs pour durcir la politique migratoire
-
Warner Bros Discovery rejette la contre-offre de Paramount, garde sa préférence à Netflix
-
Polluants éternels: le TFA sera aussi contrôlé dans l'eau du robinet, selon Rist
-
Tentative d'escroquerie visant TotalEnergies: jusqu'à trois ans de prison ferme requis
-
Wall Street attend l'inflation américaine avec prudence
-
Tennis: après sept ans, Alcaraz se sépare de Ferrero, son entraîneur et mentor
-
Dermatose: Savoie, Jura puis Sud-Ouest, les différentes vagues de l'épizootie
-
Dermatose: à Limoges, des agriculteurs érigent un mur de paille devant la préfecture
-
Journée d'action des artisans du bâtiment, insatisfaits de MaPrimeRénov' et de la REP
-
Le Parlement européen fait pression pour faciliter l'accès à l'IVG à travers le continent
-
La mobilisation agricole enfle dans le Sud-Ouest malgré l'appel à "l'apaisement" de Genevard
-
Mercosur: "la France s'opposerait de manière très ferme" à un éventuel "passage en force" de l'UE, dit Macron
-
Paris-Nice: rendez-vous à l'Allianz Riviera
-
Le Louvre rouvre partiellement malgré la reconduction de la grève
-
NanoXplore, l'"Astérix" contre "l'empire américain" des puces, se lance dans la défense
-
Le fils du cinéaste Rob Reiner en attente d'une comparution devant un juge
-
Dermatose: la mobilisation enfle dans le Sud-Ouest, appel à "l'apaisement" de Genevard
-
Zone euro : l'inflation ressort inchangée en novembre, à la veille de la réunion de la BCE
-
La grève au Louvre reconduite à l'unanimité, la réouverture du musée incertaine
-
Taxe carbone: l'UE aménage son dispositif pour les engrais face à la crise agricole
-
La Bourse de Paris atone, entre emploi et inflation américaine
-
Dermatose: la mobilisation enfle dans le Sud-Ouest malgré les annonces ministérielles
-
Des "dizaines de fiches" sensibles du ministère de l'Intérieur volées lors d'une attaque informatique
-
Australie: la communauté juive, bouleversée et en colère, enterre "le Rabbin de Bondi"
-
Des "dizaines de fichiers" sensibles du ministère de l'Intérieur volés lors d'une attaque informatique
-
Comment la "glace ancienne" pourrait aider les scientifiques à protéger les glaciers
-
Vieux remèdes et IA: l'OMS recherche des preuves d'efficacité de la médecine traditionnelle
-
Royaume-Uni: l'inflation ralentit plus fortement que prévu en novembre, à 3,2% sur un an
-
Attentat de Sydney: l'assaillant inculpé de terrorisme, inhumation des victimes
-
L'évolution du cyclisme: "le changement est impressionnant", souligne Guillaume Martin-Guyonnet
-
La seule Afghane du CIO lutte pour le droit des femmes dans son pays
-
Vers une consommation record de charbon en 2025, avant un début de déclin
-
Brésil: une forte réduction de peine pour Bolsonaro entre les mains du Sénat
-
Endeuillé, isolé mais libre de rêver : être jeune en Ukraine
-
La fusée Ariane 6 décolle de Kourou avec deux satellites Galileo
-
Coupe NBA: Wembanyama et les Spurs renversés par les Knicks en finale
-
En Guinée, la déchirante quête des familles des jeunes disparus de la migration
-
Pédopornographie: l'ex-numéro deux de la police néo-zélandaise condamné à la détention à domicile
-
Le fils du cinéaste Rob Reiner inculpé pour l'assassinat de ses parents
-
Coupe intercontinentale: au Qatar, le PSG en route vers de nouvelles conquêtes
-
Tirs à l'université américaine Brown: une longue vidéo du suspect diffusée
-
Washington menace l'UE de représailles si la régulation numérique européenne n'évolue pas
-
Grève au Louvre: nouvelle AG du personnel, la réouverture du musée en jeu
-
Le fils du cinéaste Rob Reiner va être inculpé pour l'assassinat de ses parents
-
Trump annonce un blocus américain au Venezuela sur les pétroliers sous sanctions
-
L'Australie commence à enterrer les victimes du massacre de la plage de Sydney
-
Mondial-2026: la Fifa annonce des billets à 60 dollars pour les supporters
-
Importations: un rapport parlementaire dénonce des contrôles "dérisoires" et des fraudes massives
-
Wall Street sceptique face à l'emploi américain
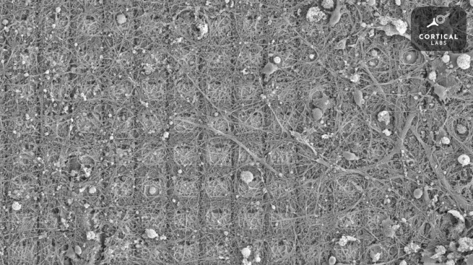
Des neurones doués de sensations ont appris à jouer à un jeu vidéo (étude)
Des neurones cultivés dans une boîte de Petri sont capables d'apprendre à jouer à Pong, le grand classique des jeux vidéo, faisant ainsi preuve d'un "comportement intelligent et doué de sensations", selon des chercheurs en neurosciences australiens.
Cette étude, publiée mercredi dans la revue scientifique Neuron, ouvre la voie à un nouveau type de recherches qui pourraient un jour se servir de neurones pour traiter des informations, sorte de machines biologiques qui épauleraient les ordinateurs numériques, selon le chercheur ayant mené les recherches, Brett Kagan.
"Les machines sont incapables d'apprendre très rapidement des choses. Pour qu'un algorithme de +machine learning+ (l'apprentissage automatique, une technique d'intelligence artificielle, NDLR) apprenne quelque chose, il a besoin de milliers d'échantillons de données", a-t-il expliqué.
Tandis qu'"un chien peut apprendre un tour en deux ou trois essais", note-t-il.
Les neurones sont au fondement de l'intelligence chez tous les animaux, des insectes aux humains.
Pour leur expérience, visant à découvrir s'il était possible d'exploiter l'intelligence inhérente des neurones, Brett Kagan et ses collègues ont prélevé des neurones de cerveaux embryonnaires de souris ainsi que des neurones issus de cellules souches d'humains adultes.
Ils ont ensuite cultivé ces neurones autour de matrices de microélectrodes capables de détecter leur activité et de les stimuler. Les expériences ont concerné des amas d'environ 800.000 neurones, la taille du cerveau d'un bourdon.
Dans une sorte de version simplifiée du jeu de tennis Pong, un signal était ensuite envoyé depuis la droite ou la gauche pour indiquer l'emplacement d'une balle et l'amas de neurones, baptisé par les chercheurs "DishBrain" (ou cerveau en boîte en français), répondait par un autre signal pour déplacer la raquette.
- "Principe de l'énergie libre" -
Un des principaux obstacles était de trouver comment amener les neurones à apprendre une tâche.
De précédents travaux avaient suggéré de les gratifier d'une dose d'"hormone du bonheur", la dopamine, à chaque action correcte -- mais cela s'est révélé difficile à accomplir avec la vitesse nécessaire.
A la place, l'équipe du Dr Kagan s'est appuyée sur la théorie dite du "principe de l'énergie libre" introduite il y a plus de dix ans par Karl Friston, l'auteur principal de l'étude publiée mercredi, et selon laquelle les cellules cherchent instinctivement à minimiser l'imprévisibilité de leur environnement.
Quand les neurones parvenaient à frapper la balle à l'aide de la raquette, ils recevaient donc une information prévisible indiquant leur réussite. Mais quand ils rataient leur coup, le signal reçu était aléatoire, imprévisible.
"La seule façon pour les neurones de faire en sorte que leur monde reste contrôlable et prévisible était de mieux réussir à toucher la balle", a détaillé Brett Kagan.
Son équipe considère que DishBrain est "sensible" -- ce qu'ils définissent comme étant capable de percevoir des informations sensorielles et d'y répondre de façon dynamique --, mais ne vont pas jusqu'à parler de "conscience", ce qui implique d'avoir conscience de sa propre existence.
Ce "cerveau en boîte" s'est même essayé au jeu qui remplace le moteur de recherche de Google en cas d'absence de connexion internet, qui consiste à faire courir un dinosaure parmi des obstacles, et les premiers résultats ont été encourageants, a indiqué Brett Kagan.
Les scientifiques veulent ensuite tester la manière dont des médicaments et l'alcool affectent l'intelligence de ces neurones, mais le Dr Kagan est surtout enthousiaste à l'idée de la possibilité de développer des ordinateurs biologiques.
"C'est (une expérience de) neurosciences rigoureuse et intéressante", estime Tara Spires-Jones, de l'université d'Edimbourg, qui n'a pas participé à l'étude.
"Pas d'inquiétude, même si ces boîtes de neurones peuvent modifier leurs réponses lorsqu'elles sont stimulées, ce ne sont pas des boîtes douées d'intelligence de type science fiction, ce sont de simples (bien qu'intéressants et importants d'un point de vue scientifique) réponses de circuit", rassure-t-elle.
P.A.Mendoza--AT