-
La Bourse de Paris attentiste avant la BCE et l'inflation américaine
-
Le ministre des Transports appelle les agriculteurs à ne pas empêcher la circulation pendant Noël
-
Le séjour discret des assaillants de Sydney dans un hôtel du sud des Philippines
-
Ski: à Val Gardena et Alta Badia, Odermatt sous le signe du 50
-
NBA: les Grizzlies griffent les Wolves, Giddey en triple-double pour Chicago
-
Le Venezuela dit poursuivre ses opérations pétrolières malgré le blocus américain
-
Attentat de Sydney: l'Australie enterre une victime de 10 ans et promet de sévir contre l'extrémisme
-
Trump maintient son cap économique, accable Biden et les immigrés
-
Japon: le gouvernement poursuivi pour son inaction face au changement climatique
-
Brésil: le Congrès approuve une loi pour réduire la peine de Bolsonaro
-
Ligue des champions féminine: le Barça donne la leçon au PFC, qui verra les barrages
-
Ligue des Champions : direction les quarts de finale pour Lyon
-
Trump promet aux Américains que "le meilleur reste à venir"
-
Wall Street termine en baisse, minée par le secteur de l'IA
-
Amazon sort la bande-annonce de son documentaire sur Melania Trump
-
Coupe intercontinentale: Le sextuplé pour le Paris SG face à Flamengo
-
La grippe grimpe, la poussée de fièvre guette les hôpitaux pendant les congés de Noël
-
Mercosur: Paris et Rome contrarient les plans de l'UE, ultimatum de Lula
-
La justice impose le gel du plan de suppression de postes de Thales dans le spatial
-
Guadeloupe: 16.000 véhicules en circulation toujours équipés d'airbags Takata
-
Brésil: nouvelle étape franchie au Sénat vers une réduction de peine pour Bolsonaro
-
Les Oscars quitteront ABC pour une diffusion en exclusivité sur YouTube à partir de 2029
-
Legrand-Cohen: la patronne de Radio France déplore une vidéo "instrumentalisée"
-
Eaux en bouteille: Nestlé Waters assigné en justice pour concurrence déloyale
-
RDC: le groupe armé M23 affirme avoir entamé le retrait de ses troupes d'Uvira
-
Le fils du cinéaste Rob Reiner a comparu devant la justice pour le meurtre de ses parents
-
Trump franchit un nouveau palier dans l'insulte contre Biden et Obama
-
Grippe: "fort impact" anticipé sur les hôpitaux pendant les vacances de Noël, selon des projections inédites
-
Le Congrès américain adopte une stratégie de défense pour 2026 à rebours de Trump sur l'Europe
-
Ain: le suicide d'une voisine à l'origine de l'explosion qui a coûté la vie à deux enfants
-
La Bourse de Paris en légère baisse avant la BCE et l'inflation américaine
-
Budget: les positions se tendent à deux jours d'un conclave aussi crucial qu'incertain
-
Les Bourses européennes terminent indécises, entre inflation américaine et BCE
-
Dermatose: dans le Sud-Ouest, "mobilisation générale" pour "accélérer" la vaccination
-
Le Parlement européen valide deux textes clefs pour durcir la politique migratoire
-
Warner Bros Discovery rejette la contre-offre de Paramount, garde sa préférence à Netflix
-
Polluants éternels: le TFA sera aussi contrôlé dans l'eau du robinet, selon Rist
-
Tentative d'escroquerie visant TotalEnergies: jusqu'à trois ans de prison ferme requis
-
Wall Street attend l'inflation américaine avec prudence
-
Tennis: après sept ans, Alcaraz se sépare de Ferrero, son entraîneur et mentor
-
Dermatose: Savoie, Jura puis Sud-Ouest, les différentes vagues de l'épizootie
-
Dermatose: à Limoges, des agriculteurs érigent un mur de paille devant la préfecture
-
Journée d'action des artisans du bâtiment, insatisfaits de MaPrimeRénov' et de la REP
-
Le Parlement européen fait pression pour faciliter l'accès à l'IVG à travers le continent
-
La mobilisation agricole enfle dans le Sud-Ouest malgré l'appel à "l'apaisement" de Genevard
-
Mercosur: "la France s'opposerait de manière très ferme" à un éventuel "passage en force" de l'UE, dit Macron
-
Paris-Nice: rendez-vous à l'Allianz Riviera
-
Le Louvre rouvre partiellement malgré la reconduction de la grève
-
NanoXplore, l'"Astérix" contre "l'empire américain" des puces, se lance dans la défense
-
Le fils du cinéaste Rob Reiner en attente d'une comparution devant un juge
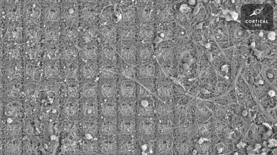
Des neurones doués de sensations ont appris à jouer à un jeu vidéo
Des neurones cultivés dans une boîte de Petri sont capables d'apprendre à jouer à Pong, le grand classique des jeux vidéo, faisant ainsi preuve d'un "comportement intelligent et doué de sensations", selon des chercheurs en neurosciences australiens.
Cette étude, publiée mercredi dans la revue scientifique Neuron, ouvre la voie à un nouveau type de recherches qui pourraient un jour se servir de neurones pour traiter des informations, sorte de machines biologiques qui épauleraient les ordinateurs numériques, selon le chercheur ayant mené les recherches, Brett Kagan.
"Les machines sont incapables d'apprendre très rapidement des choses. Pour qu'un algorithme de +machine learning+ (l'apprentissage automatique, une technique d'intelligence artificielle, NDLR) apprenne quelque chose, il a besoin de milliers d'échantillons de données", a-t-il expliqué.
Tandis qu'"un chien peut apprendre un tour en deux ou trois essais", note-t-il.
Les neurones sont au fondement de l'intelligence chez tous les animaux, des insectes aux humains.
Pour leur expérience, visant à découvrir s'il était possible d'exploiter l'intelligence inhérente des neurones, Brett Kagan et ses collègues ont prélevé des neurones de cerveaux embryonnaires de souris ainsi que des neurones issus de cellules souches d'humains adultes.
Ils ont ensuite cultivé ces neurones autour de matrices de microélectrodes capables de détecter leur activité et de les stimuler. Les expériences ont concerné des amas d'environ 800.000 neurones, la taille du cerveau d'un bourdon.
Dans une sorte de version simplifiée du jeu de tennis Pong, un signal était ensuite envoyé depuis la droite ou la gauche pour indiquer l'emplacement d'une balle et l'amas de neurones, baptisé par les chercheurs "DishBrain" (ou cerveau en boîte en français), répondait par un autre signal pour déplacer la raquette.
- "Principe de l'énergie libre" -
Un des principaux obstacles était de trouver comment amener les neurones à apprendre une tâche.
De précédents travaux avaient suggéré de les gratifier d'une dose d'"hormone du bonheur", la dopamine, à chaque action correcte -- mais cela s'est révélé difficile à accomplir avec la vitesse nécessaire.
A la place, l'équipe du Dr Kagan s'est appuyée sur la théorie dite du "principe de l'énergie libre" introduite il y a plus de dix ans par Karl Friston, l'auteur principal de l'étude publiée mercredi, et selon laquelle les cellules cherchent instinctivement à minimiser l'imprévisibilité de leur environnement.
Quand les neurones parvenaient à frapper la balle à l'aide de la raquette, ils recevaient donc une information prévisible indiquant leur réussite. Mais quand ils rataient leur coup, le signal reçu était aléatoire, imprévisible.
"La seule façon pour les neurones de faire en sorte que leur monde reste contrôlable et prévisible était de mieux réussir à toucher la balle", a détaillé Brett Kagan.
Son équipe considère que DishBrain est "sensible" -- ce qu'ils définissent comme étant capable de percevoir des informations sensorielles et d'y répondre de façon dynamique --, mais ne vont pas jusqu'à parler de "conscience", ce qui implique d'avoir conscience de sa propre existence.
Ce "cerveau en boîte" s'est même essayé au jeu qui remplace le moteur de recherche de Google en cas d'absence de connexion internet, qui consiste à faire courir un dinosaure parmi des obstacles, et les premiers résultats ont été encourageants, a indiqué Brett Kagan.
Les scientifiques veulent ensuite tester la manière dont des médicaments et l'alcool affectent l'intelligence de ces neurones, mais le Dr Kagan est surtout enthousiaste à l'idée de la possibilité de développer des ordinateurs biologiques.
"C'est (une expérience de) neurosciences rigoureuse et intéressante", estime Tara Spires-Jones, de l'université d'Edimbourg, qui n'a pas participé à l'étude.
"Pas d'inquiétude, même si ces boîtes de neurones peuvent modifier leurs réponses lorsqu'elles sont stimulées, ce ne sont pas des boîtes douées d'intelligence de type science fiction, ce sont de simples (bien qu'intéressants et importants d'un point de vue scientifique) réponses de circuit", rassure-t-elle.
Y.Baker--AT