-
Italia suspende su acuerdo de defensa con Israel
-
El gobierno británico aprueba la compra de The Telegraph por el grupo alemán Axel Springer
-
Vinicius en busca de la remontada y la redención en Múnich
-
La petrolera BP anuncia resultados "excepcionales" por la guerra en Oriente Medio
-
España desafía la tendencia y aprueba una regularización extraordinaria de migrantes
-
Cuatro condenados a muerte en Irán por manifestaciones antigubernamentales
-
España revisa al alza la inflación de marzo hasta el 3,4% por los carburantes
-
¿Es viable aplicar un impuesto a los ultrarricos en Latinoamérica?
-
Novo Nordisk se alía con OpenAI para el desarrollo de medicamentos
-
EEUU anuncia una "importante" alianza de defensa con Indonesia
-
María Corina Machado llama a convocar elecciones "lo antes posible" en Venezuela, dijo a la AFP
-
Una producción austera y verde de "La novia vendida" en el Teatro Real de Madrid
-
El fundador del gigante inmobiliario chino Evergrande se declara culpable de fraude
-
Un ataque con dron mata a una mujer en Rusia
-
Canciller ruso denuncia en Pekín los "juegos muy peligrosos" de EEUU y sus aliados en Asia
-
Dieciséis heridos por arma de fuego en una secundaria de Turquía
-
Llanto, horror y escándalo: así fue el fallido primer juicio por la muerte de Maradona
-
Comienza el nuevo juicio sobre la muerte de Maradona, un año después del escándalo
-
El crecimiento de las exportaciones chinas desaceleró al 2,5% interanual en marzo
-
Firmas europeas se replantean su presencia en China por las restricciones a las tierras raras
-
El líder norcoreano, Kim Jong Un, supervisa un ensayo naval de misiles de crucero, según KCNA
-
Phil Collins, Iron Maiden y Oasis, entre los nuevos miembros del Salón de la Fama del Rock
-
Australia hará una inversión multimillonaria en drones ante el cambio en las guerras
-
El Partido Liberal de Carney obtiene una mayoría absoluta en el Parlamento de Canadá
-
El hombre que lanzó un cóctel Molotov contra la casa del jefe de OpenAI intentó matarlo
-
Unos 700 civiles muertos en ataques con drones en Sudán desde enero, según la ONU
-
Dos congresistas de EEUU dimiten y otros dos enfrentan una posible e inusual expulsión de la Cámara
-
La UEFA rechaza la queja del Barcelona por la mano no pitada al Atlético
-
EEUU informa que mató a dos personas en un ataque a presuntas narcolanchas
-
La justicia marroquí confirma en apelación las condenas contra 18 aficionados senegaleses
-
La española Awa Fam, elegida en el tercer lugar del Draft de la WNBA
-
Siete capturados en Haití por la estampida que dejó 25 muertos
-
La UE acuerda doblar los aranceles sobre el acero importado
-
El exministro de Defensa Vladimir Padrino asume la cartera de Agricultura en Venezuela
-
La insular Tuvalu, en emergencia por los riesgos de suministro de combustible
-
A los 41 años, LeBron sigue brillando: fue nombrado Jugador de la semana
-
Líbano e Israel se reúnen para sus primeras conversaciones directas en décadas
-
Un paciente de VIH, en remisión gracias a un excepcional golpe de suerte
-
Muere otro mexicano bajo custodia del ICE en EEUU
-
Xi Jinping llama a reforzar los lazos con España frente al "caos" global
-
La presidenta interina de Venezuela celebra los avances en el sector petrolero en la firma de acuerdos con Chevron
-
Detienen en EEUU al exjefe de inteligencia de Bolsonaro condenado por golpismo
-
Envían a la cárcel a una empresaria involucrada en el caso por el que estuvo detenido Ronaldinho en Paraguay
-
Begoña Gómez, esposa del presidente del gobierno español, acusada de corrupción
-
El poderoso ministro del Interior de Venezuela desestima la exigencia opositora de convocar elecciones
-
Carlos Queiroz dirigirá a Ghana en el Mundial
-
Convocan una marcha hacia la embajada de EEUU en Venezuela para exigir elecciones
-
Trump borra una publicación en la que se muestra como Jesús tras la indignación pública
-
World Aquatics levanta las sanciones contra los nadadores rusos y bielorrusos
-
Vinicius en busca de la remontada y redención en Múnich
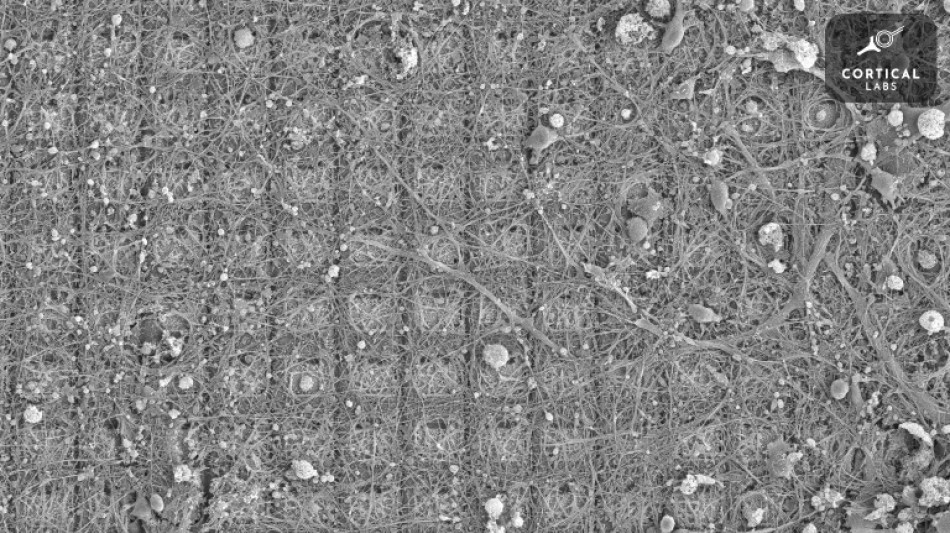
Neuronas de laboratorio aprendieron a jugar un videojuego (estudio)
Células cerebrales cultivadas en un laboratorio aprendieron a jugar el clásico videojuego Pong y podrían ser capaces de un "comportamiento inteligente y consciente", concluyeron neurocientíficos australianos.
Brett Kagan, quien dirigió el estudio publicado el miércoles en la revista Neuron, dijo a la AFP que sus hallazgos abren la puerta a un nuevo tipo de investigación sobre procesadores de información biológica, oomplementando las computadoras digitales normales.
"Lo que las máquinas no pueden hacer es aprender cosas muy rápidamente", señaló, y explicó que si uno necesita que un algoritmo de aprendizaje automático aprenda algo, eso requiere miles de muestras de datos.
Pero un perro, por ejemplo, "puede aprender un truco en dos o tres intentos", destacó Kagan, director científico del laboratario Cortical Labs, con sede en Melbourne.
Las neuronas son la base de la inteligencia en todos los animales, desde los insectos hasta los humanos.
Para su experimento, que buscaba descubrir si era posible explotar la inteligencia inherente de las neuronas, Kagan y sus colegas tomaron neuronas de cerebros embrionarios de ratones, así como neuronas de células madre humanas adultas.
Luego cultivaron estas neuronas alrededor de matrices de microelectrodos capaces de detectar su actividad y estimularlas. Los experimentos involucraron a un grupo de alrededor de 800.000 neuronas, aproximadamente del tamaño de un cerebro de abejorro.
En una especie de versión simplificada del videojuego Pong, una señal era enviada desde la derecha o la izquierda para indicar la ubicación de una pelota y el grupo de neuronas, bautizado por los investigadores 'DishBrain' (cerebro en caja), respondía con otra señal para mover la raqueta.
- "Principio de la energía libre" -
Uno de los principales obstáculos fue cómo hacer que las neuronas aprendieran una tarea.
Trabajos previos habían sugerido darles una dosis de dopamina, la "hormona de la felicidad", con cada acción correcta, pero esto ha resultado difícil de lograr con la velocidad necesaria.
En cambio, el equipo de Kagan se basó en la teoría del llamado "principio de la energía libre" expuesto hace más de 10 años por Karl Friston, autor principal del estudio publicado el miércoles, y según el cual las células están programadas para minimizar la imprevisibilidad de su entorno.
Cuando las neuronas lograban golpear la pelota con la raqueta, recibían señales eléctricas previsibles indicando su éxito. Pero cuando fallaban, la señal recibida era aleatoria e imprevisible.
"Lo único que las neuronas podían hacer era mejorar su intento de golpear la pelota para mantener su mundo controlable y predecible", detalló Kagan.
Su equipo considera que 'DishBrain' es "sensible", lo cual definen como la capacidad de percibir información sensorial y responder a ella dinámicamente, pero no van tan lejos como para llamarlo "consciente", lo que implica la conciencia de la propia existencia.
El 'DishBrain' también se probó con otra tarea: el juego que aparece en Google Chrome cuando no se encuentra una conexión a internet, que consiste a hacer correr a un dinosaurio ante algunos obstáculos. Y los resultados preliminares fueron alentadores, indicó Kagan.
Los científicos ahora quieren saber cómo las drogas y el alcohol afectan la inteligencia de estas neuronas, pero Kagan está más entusiasmado con la posibilidad de desarrollar computadoras biológicas.
"Esto es neurociencia interesante y rigurosa", estimó Tara Spires-Jones, de la Universidad de Edimburgo, que no participó en el estudio.
"No se preocupen, aunque estas cajas de neuronas pueden modificar sus respuestas cuando son estimuladas, no son cajas de inteligencia tipo ciencia ficción, son respuestas de circuitos simples (aunque interesantes e importantes) desde un punto de vista científico", aseguró.
H.Thompson--AT